OK PTFE

Zobrazit produkty

Popis

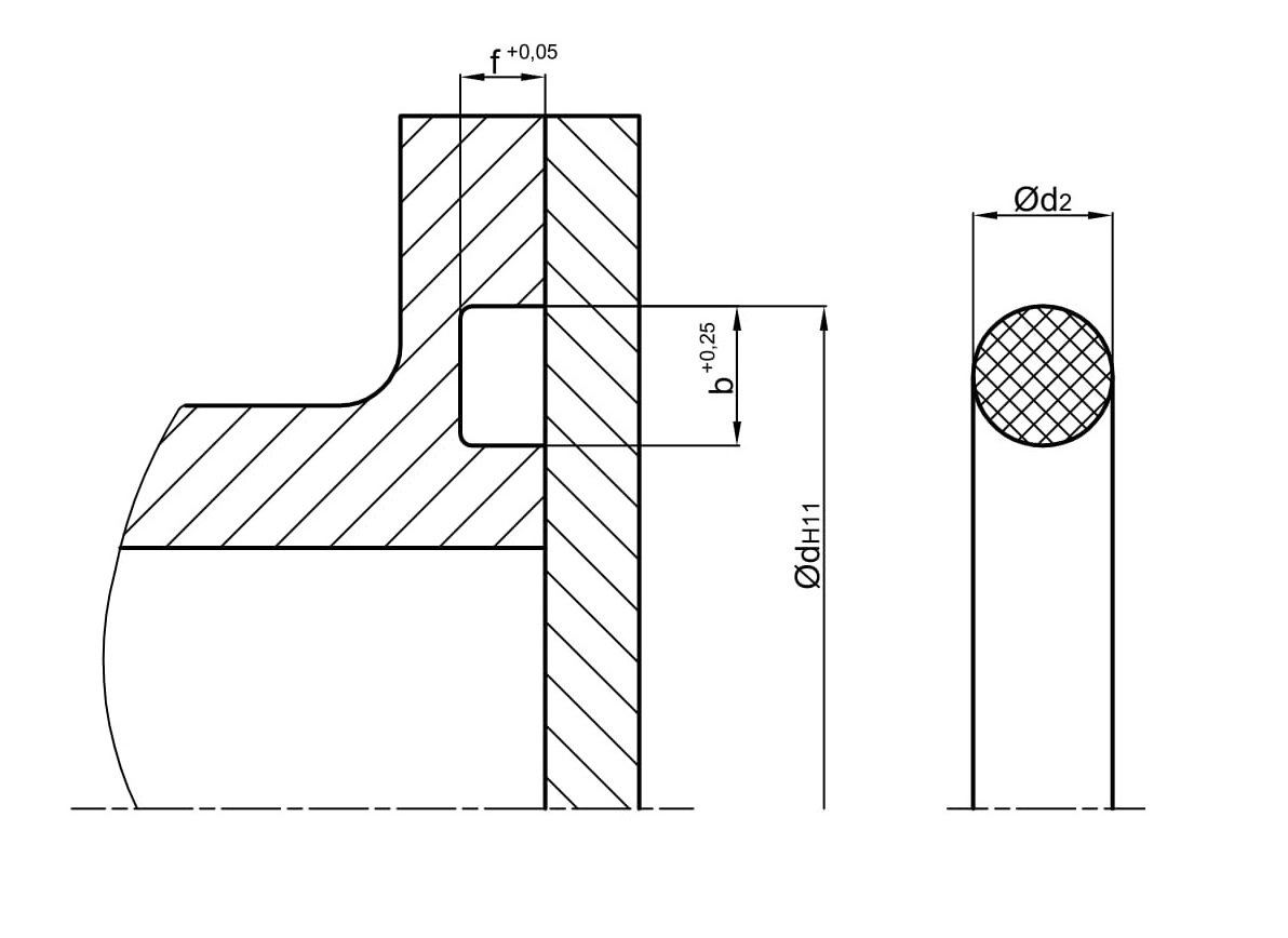
O–kroužky (O-Rings) jsou tvářené kruhové těsnící prvky s vysokou přesností. Velikosti, materiál, tvrdosti a zástavbové prostory jsou dány normou DIN 3770 resp. 3601.

 

Standardní materiál

PTFE – Téměř univerzální chemická odolnost (agresivní kyseliny, alkoholy a oleje). Odolný vůči vysokým a extrémně nízkým teplotám.

PTFE + FPM – PTFE kroužek s jádrem z FPM (Vitonu).

 

Oblast použití

Potravinářský průmysl, může přijít do kontaktu s potravinami. PTFE O-kroužky se používají pro axiální statické utěsnění vík a přírub. Předností je vynikající chemická odolnost a odolnost vůči vysokým teplotám.
 

Funkce

Používají se pro axiální statické utěsnění, jako jsou víčka a příruby a tehdy když provozní podmínky poskytují zvláště pevné tepelné nebo chemické namáhání na těsnění.
 

Hranice použití v provozu

  • Teplota FPM: -200 °C to +260 °C


Montáž

Po stránce funkčnosti a kvality OK je nejvhodnější montáž statická. Pro dynamické montáže platí určitá omezení, která musí být při použití dodržena. Z důvodů vysokého otěru je třeba dodržet mezní hodnoty tlaku, teploty, druhu média, drsnosti ploch, velikosti těsněné štěrbiny atd.
 

Poznámky

Nadstandartní rozměry mohou být vyrobeny.
 


Filtrovat dle:
Seřadit dle:

19,5x24,5x2,5 ( OR POTECHLON+PTFE 19,5x24,5x2,5 )

543,60 Kč
není skladem Zobrazit

12x18x3 ( OR PTFE 12x18x3 )

53,31 Kč
není skladem Zobrazit

135x141x3 ( OR PTFE 135x141x3 )

neuvedeno
není skladem Zobrazit

13x17,8x2,4 ( OR PTFE 13x17,8x2,4 )

neuvedeno
není skladem Zobrazit

19x21x1 ( OR PTFE 19x21x1 )

neuvedeno
není skladem Zobrazit

44,17x47,73x1,78 ( OR PTFE 44,17x47,73x1,78 )

108,90 Kč
není skladem Zobrazit

48x52x2 ( OR PTFE 48x52x2 )

166,98 Kč
není skladem Zobrazit

8x12x2 ( OR PTFE 8x12x2 )

50,77 Kč
není skladem Zobrazit

21,7x28,5x3,4 ( OR PTFE s FPM jádrem 21,7x28,5x3,4 )

1.134,52 Kč
není skladem Zobrazit

230x240,6x5,3 ( OR PTFE s FPM jádrem 230x240,6x5,3 )

2.546,95 Kč
není skladem Zobrazit

30x36,8x3,4 ( OR PTFE s FPM jádrem 30x36,8x3,4 )

790,40 Kč
není skladem Zobrazit

Poptávkový formulář

* položky označené hvězdičkou jsou povinné