OK Ostatní
Zobrazit produkty
Popis
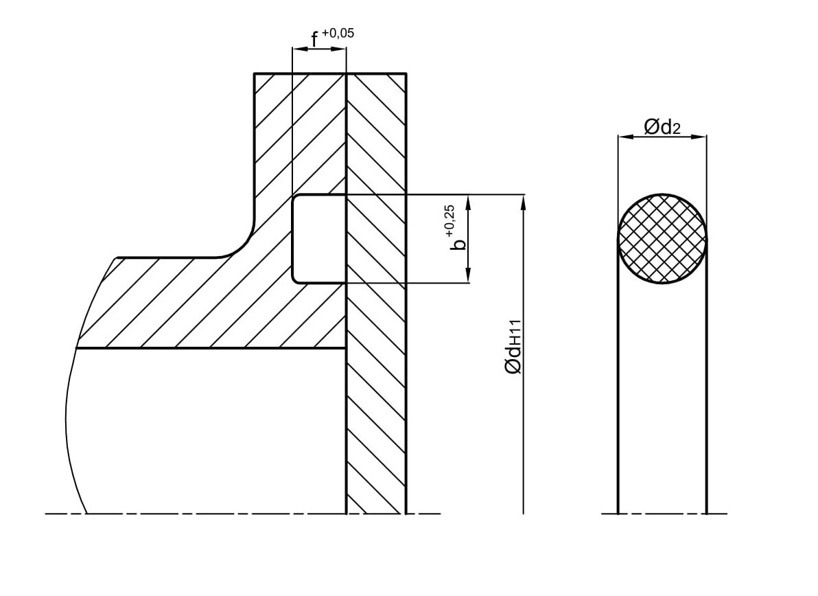
O–kroužky (O-Rings) jsou tvářené kruhové těsnící prvky s vysokou přesností. Velikosti, materiál, tvrdosti a zástavbové prostory jsou dány normou DIN 3770 resp. 3601.
Materiály
PU, PUR – Polyuretanové O-kroužky jsou určeny především pro aplikace s dynamickým namáháním v oblastech hydrauliky, pneumatiky a dalších oblastech s vysokým mechanickým namáháním. Jsou v mnoha případech používány místo klasických O-kroužků z NBR právě pro jejich vysokou mechanickou pevnost. Teplotní rozsah -30°C do + 100°C. Tlak do 200Mpa.
MIL – Military směsi. Jsou vhodné zejména pro letecký průmysl jako těsnění palivových nádrží. Provozní hodnoty na poptání.
AU 90 – Polyuretan vhodný pro minerální hydraulické oleje, minerální motorové a převodové oleje, benziny motorovou naftu apod. Teplotní rozsah -25°C do +80°C.
CR – Neoprénové kaučuky patří mezi nejstarší syntetické kaučuky používáné k výrobě těsnění. Je velmi odolný vůči stárnutí a vlivu počasí. CR není účinná v prostředí s aromatickými a kyslíkovými rozpuštědly. Teplotní rozsah -40°C do +110°C.
Funkce
O-kroužek je těsnicí prvek, který při stlačení působí jak v radiálním tak axiálním směru. Při zatížení tlakem v systému tvoří výslednou těsnicí sílu. Celkový těsnicí tlak roste se stoupajícím provozním tlakem. Jelikož má O-kroužek v porovnání s ostatními prvky řadu předností, používá se u součástí jakou jsou hřídele, náboje, nápravy, apod.
Montáž
Po stránce funkčnosti a kvality OK je nejvhodnější montáž statická. Pro dynamické montáže platí určitá omezení, která musí být při použití dodržena. Z důvodů vysokého otěru je třeba dodržet mezní hodnoty tlaku, teploty, druhu média, drsnosti ploch, velikosti těsněné štěrbiny atd.
Poznámky
Nadstandartní rozměry mohou být vyrobeny.




